Gå til innhold
  • Bli medlem
Støtt hjemmeautomasjon! 🥇🥈🥉

GustavM

Medlemmer
  • Innlegg

    7
  • Ble med

  • Besøkte siden sist

  • Dager vunnet

    1

GustavM vant dagen sist 17. oktober 2018

GustavM hadde mest likt innhold!

Hjemmeautomasjon

  • System
    Annet

Nylige profilbesøk

Blokken for nylige besøkende er slått av og vises ikke for andre medlemmer.

GustavM sine prestasjoner

Lysmester

Lysmester (5/16)

  • Første innlegg
  • Samtalestarter
  • Uke én ferdig
  • En måned senere
  • Ett år inn

Nylige merker

5

Nettsamfunnsomdømme

  1. Tja, det ligger høyt i listen over prosjekter jeg vil gjøre når jeg engang har tid ? Har kjøpt et par slike Z-Uno moduler fra Kjell & Co, de bruker samme Z-wave chip som f.eks ID-lock og gjør det "enkelt" å lage egne Z-wave dingser uten å kjøpe et dyrt utviklersett. Kan gi ut koden til denne her inne når jeg kommer så langt, men tør ikke love når det blir ?
  2. Har forsøkt BT modulen.. Den er helt ubrukelig. Spesielt til 750kr. Må opp med telefonen for å åpne døren noe som tar betydlig lenger tid enn å bare taste koden. Og det er bare dersom du er så heldig at telefonen i det hele tatt finner låsen. Har ikke forsøkt Zigbee modulen, men har lekt med tanken på å lage min egen Z-wave modul. Har akkurat begynt å jobbe med ID Lock integrasjon på jobb så har plutselig et Z-wave SDK liggende ?
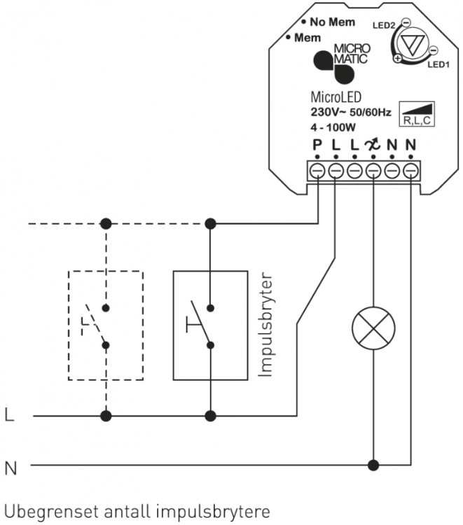
  3. Koblet opp fibarodimmeren nå på samme måte som Micromatic skjemaet og kan bekrefte at det fungerer som det skal ?
  4. Var det jeg håpet på, da blir det en drop in erstatning uten masse kladd. ? Men tror jeg tar med et multimeter og sjekker kontinuitet før jeg handler for sikkerhets skyld ?
  5. Hei! Vurderer å skifte ut eksisterende dimmere med FIbaro 2 dimmere, men da jeg sjekket koblingsskjema for Fibaro ser jeg at de er koblet ganske ulikt Micromatic dimmerne vi bruker i dag. Fibaro har egen utgang for bryter Sx, mens med Micromatic kobles bryter mellom L og P. Problemet er at dimmeren skal kobles til en trippel bryter hvor L er sammenkoblet internt, og skal styre 2 dimmere + et lys som ikke skal dimmes, og så vidt jeg kan se vil ikke dette gå dersom fibaro dimmer ikke kan kobles på samme måte. Slik det er koblet i dag: Fibaro 2 koblingskkjema:
  6. Ja er på innsiden, så man må ha tilgang til å skru av låsen for å "hacke" den. Det farligste er i grunn om man kobler i eller tilbakestiller BT modulen uten å sette den opp, da vil førstemann som kobler seg til kunne sette pinkode og åpne døren. Når den først er satt opp må man kjenne pinkoden for å koble til nye telefoner.
  7. Hei! Jeg har EasyAccess Easycode på alle ytterdørene i huset, og ønsker å kunne styre disse med f.eks Wifi, Rfid ol, så jeg kjøpte en av disse vanvittig overprisete Bluetooth modulene for å "reverse engineere" denne. Siden det var en 4pin plugg mellom lås og modul antok jeg at de brukte en eller annen form for seriekommunikasjon mellom modulen og låsen og at det var noen form for verifisering, men den gang ei. De 4 pinnene er VCC, Jord og 2 pinner som settes høy for å hhv åpne og lukke låsen. Når Bluetooth modulen mottar "unlock" kommando fra appen skjer følgende: Unlock pin: Høy i 650 millisekund >>> 10,5sekunder pause >>> Lock pin: Høy i 650 millisekund. Spenningsnivået når pinnene blir satt høy er ca 4.6V så jeg vil tippe de er 5v tolerant. Dette betyr at det er ekstremt enkelt å lage sitt eget opplegg for styring av låsen ? Pluggen er en 4pin JST PH 2mm pitch. EBAY
×
×
  • Opprett ny...

Viktig informasjon

Vi har plassert informasjonskapsler/cookies på din enhet for å gjøre denne siden bedre. Du kan justere dine innstillinger for informasjonskapsler, ellers vil vi anta at dette er ok for deg.