Søk i nettsamfunnet
Viser resultater for emneknaggene 'geigerteller'.
Fant 1 resultat
-
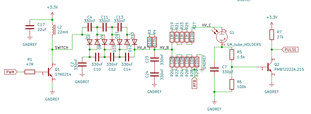
Heisann Første post på forumet her, så tenkte å presentere siste prosjektet mitt. Med tanke på verdenssituasjonen nå så er det vel ikke mye som passer bedre innen hjemmeautomasjon enn en hjemmelaget IOT geigerteller! Aller først må jeg bare si at denne telleren sier på ingen måte noenting om faktisk strålingsdose, og er ikke kalibrert til å si noe om det faktisk er farlig eller ikke der du oppbevarer deg. MEN, sbm-20 rørene er beta/gamma rør som er kjent for å være svært stabile, dette er new old stock russiske (ironisk nok) rør som du får kjøpt av en ukrainer på ebay for ca 200 kr pr rør. I gjennomsnitt ligger den på ca 20 klikk per minutt for SBM-20 rør. Så geigertelleren sier ikke om du har fått i deg en dødlig dose med radioaktivitet, men hvis bakgrunnstrålingeng rundt deg plutselig øker fra 20 klikk per minutt til 500 klikk per minutt, så gir den en ganske god indikasjon på at du kanskje bør finne deg et annet sted å oppholde deg. Dette gjelder forsåvidt for alle geigertellere og ikke min spesifikt. Det finnes konverteringsfaktorer til mikrosivert/time som faktisk gir deg et tall på strålingsdose, for sbm-20 er disse hhv 0.00664 for Cobolt 60 (60Co), 0.00584 for a Cesium 137 (137Cs), og 0.00507 for the Radon (226Ra), men det krever som sagt at du vet hvilken isotop det dreier seg om. Så i bunn og grunn gir denne deg ikke noen annen informasjon enn at det finnes en radioaktiv kilde i nærheten. Selve tellerene er en esp32-wroom basert geigerteller som bruker SBM-20 rør, designet er med 0602 komponenter og større (bortsett fra usb-c og FTDI), så de er ganske lette å håndlodde (anbefaler blyloddetinn akkurat på usb-c porten, den er litt tricky ), men det er nok et design som er best å få produsert opp sammen med noen venner fra pcbway eller noe slikt. Designet både flashes og konfigurereres gjennom USB-c porten, og den er usb2.0 kompatibel. Den er konfigurerbar gjennom seriellporten (med usbc og ftdi) og man kan endre på nesten alt av parametre, og man kan gjøre endringene persistant, så er ganske lett å endre den hvis man vil bruke andre rør feks. (den kan fint bruke alle self quenching geigerrør, men jeg jobber litt med en tillegskrets for å quenche alfa pannekakedetektorer. skal oppdatere designet på github) Jeg lagde en litt snedig buck boost krets med 3x spenningsdobler, så jeg klarer å nå ca 1400volt, men med de standard bom komponentene bør du ikke gå så mye over 1200. PWM signalet kommer fra esp32 chippen, og alle parametre på PWM signalet kan endres via seriell. Har også laget en WIFI config, så den starter som et accesspunkt hvis det ikke er satt en ssid og passord i eeprom. Har også laget en liten enclosure som man kan 3d printe. I wifi configen så kan du legge inn radmon brukerid, og sende data til radmon prosjektet hvis du lager en bruker der. da er du med på et opensource radioaktivitetslogging prosjekt og får en flekk på norgeskartet der bakgrunnsCPMen står JEg har vært litt lat og kun laget et get request api for å hente ut data, men det er mulig å få inn dataen på homeassistant med en custom component: sensor: - platform: rest name: EIK_Geiger resource: http://<IP-Address>/cpm json_attributes: - "data" value_template: "OK" - platform: template sensors: cpm: value_template: "{{ state_attr('sensor.EIK_Geiger', 'data')['cpm'] }}" unit_of_measurement: "cpm" cpm_m: value_template: "{{ state_attr('sensor.EIK_Geiger', 'data')['cpm_M'] }}" unit_of_measurement: "cpm_avg_m" cpm_h: value_template: "{{ state_attr('sensor.EIK_Geiger', 'data')['cpm_H'] }}" unit_of_measurement: "cpm_avg_h" raw_volt: value_template: "{{ state_attr('sensor.EIK_Geiger', 'data')['raw_volt'] }}" unit_of_measurement: "raw_voltage" Men jeg sliter litt med at jeg ikke finner entityen under statistikk graf tilen..... Hvis det er noen smarte hoder ute der som kan hjelpe meg med det så hadde jeg blitt glad! Hele designet er laget i kicad og vscode og har frigitt det under BSD-3 lisens. VS-Code prosjektet ligger under "Code" og skjematikk/pcb ligger under "Cad". Hvis du bare vil ha kretskortet så er det gerberfiler under "Production". Gjør hva du vil med det, men gjerne fork designet og send pull requests hvis du gjør noe morsomt med det 🙂 https://github.com/fredriknk/eikgeiger
- 9 svar
-
- 7
-
-
- homeassistant
- radmon
-
(og 1 andre)
Merket med:
