Gå til innhold
  • Bli medlem
Støtt hjemmeautomasjon! 🥇🥈🥉

hobbybonden

Medlemmer
  • Innlegg

    9
  • Ble med

  • Besøkte siden sist

Hjemmeautomasjon

  • System
    HomeSeer

Nylige profilbesøk

Blokken for nylige besøkende er slått av og vises ikke for andre medlemmer.

hobbybonden sine prestasjoner

Lysmester

Lysmester (5/16)

  • Første innlegg
  • Samtalestarter
  • Uke én ferdig
  • En måned senere
  • Ett år inn

Nylige merker

0

Nettsamfunnsomdømme

  1. Tusen takk for godt forslag og at du til og med tok deg tid til å finne koblingsskjemaet! 👍 Gitt dine positive erfaringer og kommentarer om kvalitet på termostatene så høres det ut som en prima løsning å relé-styre dem, tror faktisk jeg har et Qubino relé liggende jeg ikke har tatt i bruk ennå. Når man kortslutter 12 og 13, senkes det da til 10 grader frem til kortslutningen opphører eller er det en timer-funksjon på f.eks 8 timer?
  2. Takk! Jeg har en liggende så da har jeg et godt alternativ
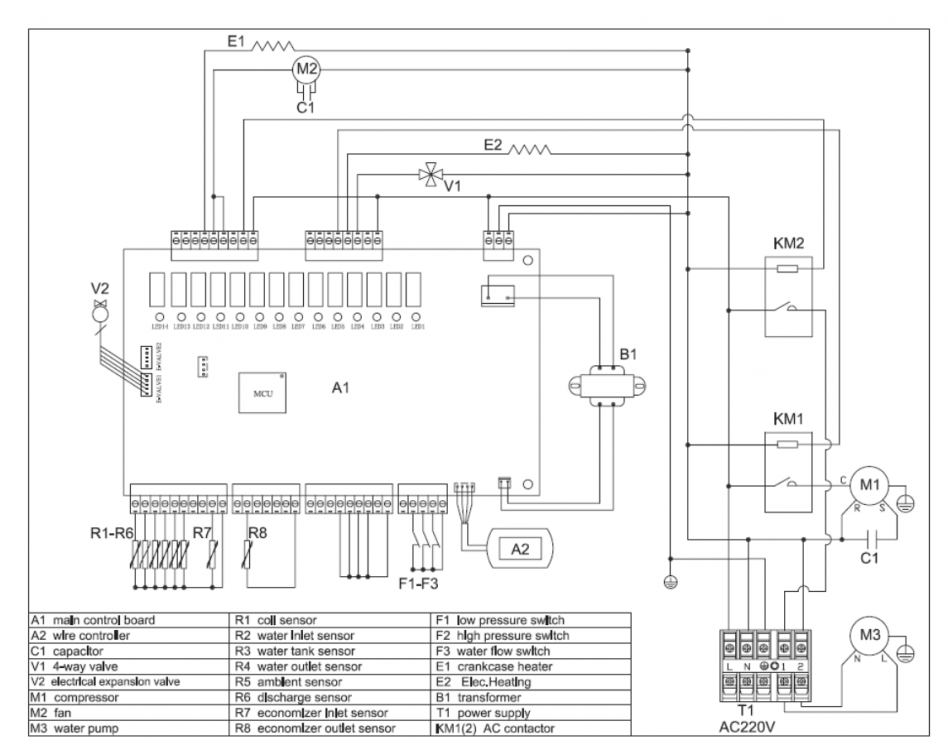
  3. Jeg har en ETN-2P skapmontert termostat for varmekabel i gulv. Irriterende nok så er den skapmontert og ikke minst stokk dum så jeg ikke får lagt den inn som en del av automasjon av f.eks varmepumpe, det er lite økonomi i å skru av varmepumpen når da varmekablene slår inn og fyrer uten COP-gevinst fra varmepumpe. Har uten hell lett etter en mer moderne utgave som støtter Z-wave eller Zigbee. En mulighet er kanskje å bruke en vanlig termostat fra f.eks Heatit (som jeg har brukt i andre rom hvor varmekablene har termostat i rommet), den kan kanskje monteres i tavlen selv om den ikke er beregnet for det eller sette inn en tavlemontert z-wave bryter så jeg i det minste kan skru den av/på med fast temperatur satt? Hvordan ville dere løst det? ETN-2P termostaten jeg har i tavlen:
  4. Takk til alle for nyttig input! Risiko for å ødelegge kritiske måleverdier til innedelen er skummelt så det høres ut som at jeg heller bør tappe meg inn på vannkretsen(e) med egne sensorer fremfor å tappe meg innpå eksisterende.
  5. Det kommer fra brukermanualen men det fremkommer dessverre ikke noe mer. Forhandleren min har ikke allverdens kompetanse på området og leverandøren deres er kinesisk selvsagt så jeg får se om jeg kan Google meg frem til noe mer rundt dokumentasjon.
  6. Ah - det er her jeg kommer til å avsløre min inkompetanse Jeg så for meg at det sitter en temperatur-sensor i varmepumpens utedel som med en enkel-leder går inn i R5 og tilsvarende for andre sensorer som måler temperatur på vann inn- og ut. Så ikke for meg at det skulle en del av en 220v spenningsats krets og at jeg dermed kunne tappet meg inn på samme terminalpunkt (R5).
  7. Jeg har en luft-vann bassengvarmepumpe hvor det er noen sensorer jeg godt kunne tenkt meg å få koblet meg til via Z-wave. Er det så enkelt som å koble en ledning mellom en Fibaro Univarsal Binary sensor og inn på en av sensorene som f.eks R4-terminalen på kretskortet? Eller risikerer jeg da å kortslutte eller gjøre noe annet med varmepumpe-elektronikken jeg ikke burde ha lyst til å gjøre ? :-)
  8. Ble stille her :), gikk du for Smart Meter mot kontaktor eller bistabil switch?
×
×
  • Opprett ny...

Viktig informasjon

Vi har plassert informasjonskapsler/cookies på din enhet for å gjøre denne siden bedre. Du kan justere dine innstillinger for informasjonskapsler, ellers vil vi anta at dette er ok for deg.