Gå til innhold
  • Bli medlem
Støtt hjemmeautomasjon! 🥇🥈🥉

Vinnerliste

Populært innhold

Viser innholdet med mest poeng fra 05. feb. 2021 i alle områder

  1. Da nærmer det seg "lansering" av teslaSeer for Hs4. Legger ut versjonen som tenkes å lanseres her, så får de som ønsker og kan teste så mye de orker. Send meg PM om dere finner feil, mangler eller forslag til "improvements" PS, denne vill "self destruct" 1613347200(unix) PS2, legger filen på første side
    2 poeng
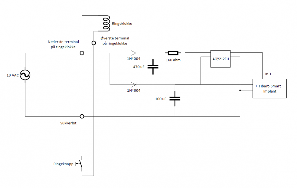
  2. Ikke helt i dag, da, men har smartifisert ringeklokken med en Fibaro Smart Implant
    1 poeng
  3. Jeg ønsket det samme, og løste det slik: Denne bør virke på de aller, aller fleste ringeklokker som har vekselspenning fra ringetrafoen. Virkemåten er at når man trykker på ringeknappen belastes ringetrafoen gjennom klokkespolen, og spenningen faller. Men pga to kondensatorer av ulik størrelse faller spenningen over dem ulikt, og det blir et spenningsdifferensial på inngangene på optokopleren (AQY212EH), som igjen trigger Fibaro Smart Implant. Alle komponentene er lagt inn i klokkehuset. Fungerer veldig bra.
    1 poeng
  4. Jeg har kjørt Tibberseer siden den kom ifra Moskus, og etter noen versjon oppdateringer i begynnelsen har Plug-in fungert som en drøm med alle verdier (se utklipp Tibber uke). Jeg er veldig takknemlig for at Moskus tar seg tid til programring og respons her. Også etter oppdatering fra HS3 til HS4 fungerte Plug-in perfect. Kjøres HS 4 på en Intel NUC Win 10 Pro.
    1 poeng
  5. Jeg driver for tiden og ser på Sensibo plugin. Jeg tør ikke love noe dato, men før vi går inn i våren kalendermessig (slik har jeg gitt meg fram til april). Utfordringen jeg har satt meg er å kunne oppdatere eksisterende versjoner uten at man må slette alle enheter og starte på nytt siden jeg vet hvor kjipt det er å bygge opp events på nytt. Jeg føler jeg er 90% ferdig med det. Usikker på om det er type ferdig med 90%, de neste 90% igjen (veldig typisk innenfor software utvikling) eller om det kun er 10% igjen. Hold ut. Jeg holder på!
    1 poeng
  6. Er det ikke litt rart at det står i spesifikasjonene til ZTRM3 at den støtter OTA, men når man trenger firmware oppdatering må dette allikevel gjøres via kabel...? Nesten så denne kabelen burde fulgt med termostatene..
    1 poeng
  7. Kontakt supporten til Thermo Floor. Jeg fikk tilsendt en kabel med returlapp. Merk også at de sender deg faktura, slik at du har en viss frist på å sende tilbake kabelen..
    1 poeng
  8. Wiz mener noe annet (så klart). De mener at teknologien fint kan brukes for store kommersielle installasjoner opp til 10.000 lys. Selv tester jeg nå Wiz som kom godt ut i en test i TEK.no før jeg bestemmer meg for hva jeg velger da jeg ønsker mulighet for talestyring av lys i huset. Så langt er jeg imponert over Wiz, mest over prisen på pærer. Du får WCA til 179,- Jeg mener Wiz og andre Wi-Fi systemer helt klart vil være et godt (billigere) alternativ til ZigBee om man har et eget WLAN og VLAN dedikert for dette formålet. De fleste av disse systemene krever uansett at du har 2,4Ghz nett. De fungerer også helt fint om nettet går ned ved å bruke eksisterende bryter. Du kan til og med bestemme hva som skal skje når du skrur av og på strømbryter: til siste modus eller to andre ferdig definerte modus. Ganske kjekt. Det å kunne bruke eksisterende brytere på vegg å slippe installasjon av ZigBee eller Z-wave "piller" er også en stor fordel. Så kan man så klart være skeptisk til at det er skybasert, men det toget har gått for lenge siden for min del. Når det gjelder integrasjon mot andre systemer er det ikke like god støtte som med ZigBee, men det finnes muligheter til lokal styring via JSON. Sikkerhet er også man kan stille seg spørsmål ved. Dette ble skrevet i 2019, mulig Wiz har forbedret sikkerheten selv om jeg tviler..
    1 poeng
Vinnerlisten er satt til Oslo/GMT+01:00
×
×
  • Opprett ny...

Viktig informasjon

Vi har plassert informasjonskapsler/cookies på din enhet for å gjøre denne siden bedre. Du kan justere dine innstillinger for informasjonskapsler, ellers vil vi anta at dette er ok for deg.