- 0
Z-Wave kontroll av Flexit ventilasjonsvifte
-
Lignende innhold
-
Spørsmål om integrasjon av Xcomfort med Home Assistant og CKOZ-00/14
Av rolisia,
- ckoz-00/14
- sensio
- (og 2 andre)
- 0 svar
- 553 visninger
-
- 11 svar
- 1 809 visninger
-
- 5 svar
- 1 089 visninger
-
nobø connect Dårlig valg av Nobø/Glen Dimplex å kun støtte Futurehome! 1 2 3
Av JKK,
- homey pro
- futurehome
- (og 4 andre)
- 51 svar
- 11 651 visninger
-
Flexit UNI 2RER EC & Flexit Tradition E/F vil ikke snakke sammen?
Av Jesper,
- ventilasjon
- flexit
- (og 1 andre)
- 1 svar
- 1 348 visninger
-

Spørsmål
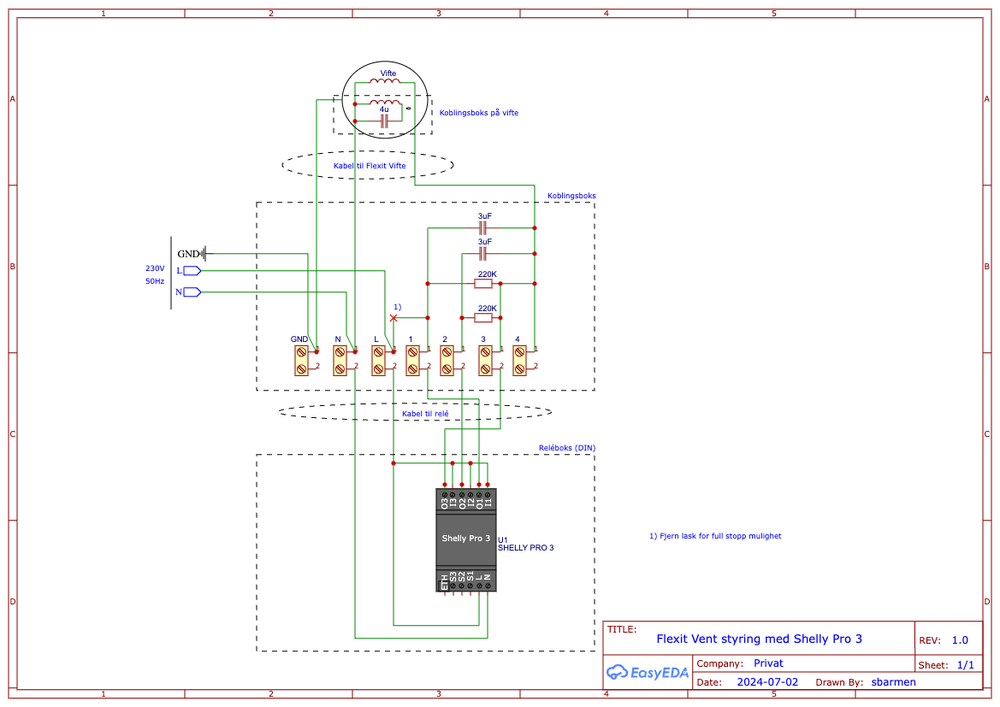
ezand
Hei!
Jeg er i gang med å sette opp Home Assistant med Z-Wave og Zigbee. Jeg trenger litt tips om hvordan jeg kan få koblet min eksisterende loftsventilasjonsvifte til Z-Wave systemet.
Ventilasjonsvifte: Flexit ULV 100
Styringsbryter: Flexit
Det hadde vært ideelt med en trinnløs variant (dimmerfunksjon?) fremfor tre-trinnsbryteren nevnt ovenfor. Noen som har noen tips til komponenter som støtter dette oppsettet?
21 svar til spørsmålet
Anbefalte innlegg
Bli med i samtalen
Du kan publisere innhold nå og registrere deg senere. Hvis du har en konto, logg inn nå for å poste med kontoen din.